Product Summary
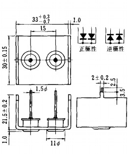
Diagrams

|  |  100L09C |  Cooper Bussmann |  Fuses CSAFUS FM2 CL'C'660V |  Data Sheet |  
 |  | ||||||||||||
|  |  100L10C |  Cooper Bussmann |  Fuses C.S.A. FM2 FUSE TO C22.2 |  Data Sheet |  
 |  | ||||||||||||
|  |  100L14-660 |  Cooper Bussmann |  Fuses 100A 660VAC/400VDC |  Data Sheet |  
 |  | ||||||||||||
|  |  100L14C |  Cooper Bussmann |  Fuses CSAFUS FM2 CL'C'660V |  Data Sheet |  
 |  | ||||||||||||
|  |  100LEC |  Cooper Bussmann |  Fuses 100A 240V AC TYPE T |  Data Sheet |  
 |  | ||||||||||||
|  |  100LET |  Cooper Bussmann |  Fuses 100Arms British Style |  Data Sheet |  
 |  | ||||||||||||
 (China (Mainland))
 (China (Mainland)) 
                         
                        
 
                                    




