Product Summary
The BLF4G20LS-110B is a 110 W LDMOS power transistor. The BLF4G20LS-110B is used in RF power amplifiers for GSM, GSM EDGE and CDMA base stations and multicarrier applications in the 1800 MHz to 2000 MHz frequency range.
Parametrics
BLF4G20LS-110B characteristics: (1)On the conditions of VGS = 0 V; ID = 0.9 mA, V(BR)DSS drain-source breakdown voltage: min=65V ; (2)On the conditions of VDS = 10 V; ID = 180 mA, VGS(th) gate-source threshold voltage: min=2.5V, typ=3.1V, max=3.5V; (3)On the conditions of VDS = 28 V; ID = 900 mA, VGSq gate-source quiescent voltage: min=2.7V, typ=3.2V, max=3.7V; (4)On the conditions of VGS = 0 V; VDS = 28 V, IDSS drain leakage current: max=3mA; (5)On the conditions of VGS = VGS(th) + 6 V; VDS = 10 V, IDSX drain cut-off current: min=27A, typ=30A; (6)On the conditions of VGS = ±15 V; VDS = 0 V, IGSS gate leakage current: max=300 nA.
Features
BLF4G20LS-110B features: (1)Typical GSM EDGE performance at a frequency of 1930 MHz and 1990 MHz, a supply voltage of 28 V and an IDq of 650 mA; (2)Easy power control; (3)Excellent ruggedness; (4)High efficiency; (5)Excellent thermal stability; (6)Designed for broadband operation (1800 MHz to 2000 MHz); (7)Internally matched for ease of use.
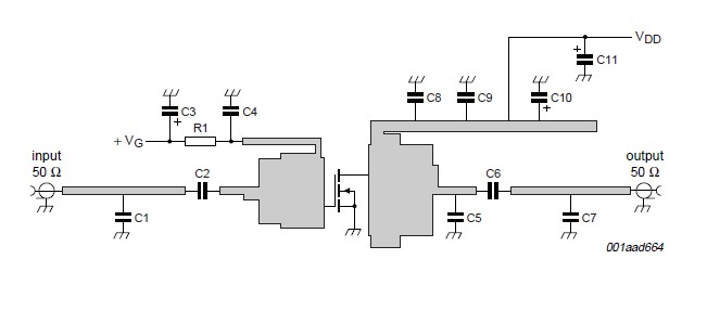
Diagrams

| Image | Part No | Mfg | Description |  | Pricing (USD) | Quantity | ||||
|---|---|---|---|---|---|---|---|---|---|---|
|  |  BLF4G20LS-110B |  NXP Semiconductors |  Transistors RF MOSFET Power LDMOS TNS |  Data Sheet |  Negotiable |  | ||||
|  |  BLF4G20LS-110B,112 |  NXP Semiconductors |  Transistors RF MOSFET Power LDMOS TNS |  Data Sheet |  Negotiable |  | ||||
 (China (Mainland))
 (China (Mainland)) 
                         
                        
 
                                    




