Product Summary
The 6MBP50RA060 is an Intelligent Power Module.
Parametrics
6MBP50RA060 absolute maximum ratings: (1)DC bus voltage VDC: min=0, max=450V; (2)DC bus voltage (surge) VDC(surge): min=0, max=500V; (3)DC bus voltage (short operating) VSC: min=200V, max=400V; (4)Collector-Emitter voltage VCES: min=0, max=600V; (5)Junction temperature Tj: max=150℃; (6)Input voltage of power supply for Pre-Driver VCC *1: min=0, max=20V; (7)Input signal voltage Vin *2: min=0, max=VzV; (8)Input signal current Iin: max=1mA; (9)Alarm signal voltage VALM *3: min=0, max=VccV; (10)Alarm signal current IALM *4: max=15mA; (11)Storage temperature Tstg: min=-40℃, max=125℃; (12)Operating case temperature Top: min=-20℃, max=100℃.
Features
6MBP50RA060 features: (1)Temperature protection provided by directly detecting the junction temperature of the IGBTs; (2)Low power loss and soft switching; (3)High performance and high reliability IGBT with overheating protection; (4)Higher reliability because of a big decrease in number of parts in built-in control circuit.
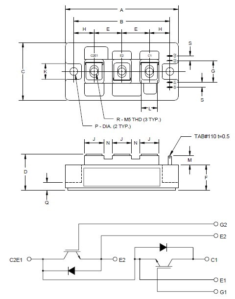
Diagrams

|  |  6MBP 150RA-060 |  Other |  |  Data Sheet |  Negotiable |  | ||||
|  |  6MBP 15RH-060 |  Other |  |  Data Sheet |  Negotiable |  | ||||
|  |  6MBP 75RA-120 |  Other |  |  Data Sheet |  Negotiable |  | ||||
|  |  6MBP100RTA-060 |  Other |  |  Data Sheet |  Negotiable |  | ||||
|  |  6MBP100RTB060 |  Other |  |  Data Sheet |  Negotiable |  | ||||
|  |  6MBP150RA120 |  Other |  |  Data Sheet |  Negotiable |  | ||||
 (China (Mainland))
 (China (Mainland)) 
                         
                        
 
                                    




