Product Summary
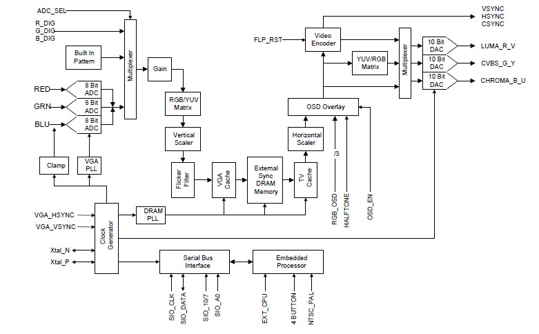
The FS401LF is a PC to TV video scan converter.The FS401LF accepts many input resolutions and rates and converts them to NTSC or PAL standards compliant with SMPTE-170M and CCIR-656 standards. Also available as output options are VGA 640 x 480 at 60Hz progressive, SVGA 800 x 600 at 60Hz progressive, and 100 Hz interlaced. The FS401LF has a programmable down scaler to fit the incoming resolution to the output display format. Within the FS401LF are capture and encoder engines separated by the frame buffer memory controller. Required external components are minimal: a single 16M SDRAM memory, clocks and passive parts.
Parametrics
The FS401LF absolute maximum ratings: (1)VDD (Measured to VSS): -0.5 to 4.6 V; (2)VSSAD, VSSPA, VSS, VSSPA, VSSDA: -0.5 to 0.5 V; (3)3.3 V logic applied voltage (Measured to VSS): -0.5 to VDD + 0.5 V; (4)Forced current: -10.0 to 10.0 mA; (5)Short circuit duration (single output in HIGH state to ground): 1 second; (6)Operating, Ambient: -20 to 110 ℃; (7)Storage: -65 to 150 ℃.
Features
The FS401LF features: (1)Frame rate Conversion; Programmable 2D scaling; Pan and Zoom; Advanced 2-D flicker filte; Frame-store memory controller; (2)Supports Interlaced Input XGA and above; (3)Input refresh rates up to 150Hz; (4)Standard NTSC and PAL; (5)Super NTSC & PAL; (6)VGA Progressive; (7)SVGA Progressive; (8)NTSC Progressive; (9)8-bit A/D converters with frequency adaptive input filtering support; (10)10-bit output D/A converters; (11)Digital RGB Inputs (FS403); (12)I2C compatible port controls (SIO); (13)100 pin PQFP (FS401); (14)128 pin PQFP (FS403); (15)3.3V operation; (16)RoHS Compliant.
Diagrams

![]() |
![]() FS400R07A1E3 |
![]() |
![]() IGBT 650V 500A 1250W |
![]() Data Sheet |
![]()
|
|
||||||
![]() |
![]() FS400R12KF4 |
![]() Infineon Technologies |
![]() IGBT Modules 1200V 400A 6-PACK |
![]() Data Sheet |
![]() Negotiable |
|
||||||
![]() |
![]() FS401 |
![]() Other |
![]() |
![]() Data Sheet |
![]() Negotiable |
|
||||||
![]() |
![]() FS402 |
![]() Other |
![]() |
![]() Data Sheet |
![]() Negotiable |
|
||||||
![]() |
![]() FS403 |
![]() Other |
![]() |
![]() Data Sheet |
![]() Negotiable |
|
||||||
![]() |
![]() FS40SM-5 |
![]() Other |
![]() |
![]() Data Sheet |
![]() Negotiable |
|
||||||
(China (Mainland))








