Product Summary
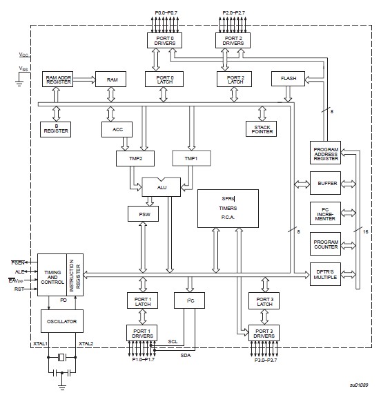
The P89C668HBA is an 8-bit flash microcontroller. The P89C668HBA contains a non-volatile 64 kbytes Flash program memory that is both parallel programmable and serial In-System Programmable. In-System Programming allows the P89C668HBA to alter its own program memory, in the actual end product, under software control. This opens up a range of applications that can include the ability to field update the application firmware.
Parametrics
P89C668HBA absolute maximum ratings: (1)Operating temperature under bias: 0 to +70 or –40 to +85 ℃; (2)Storage temperature range: –65 to +150 ℃; (3)Voltage on EA/VPP pin to VSS: 0 to +13.0 V; (4)Voltage on any other pin to VSS: –0.5 to +6.5 V; (5)Maximum IOL per I/O pin: 15 mA; (6)Power dissipation (based on package heat transfer limitations, not device power consumption): 1.5 W.
Features
P89C668HBA features: (1)80C51 Central Processing Unit; (2)On-chip Flash Program Memory with In-System Programming; (3)(ISP) capability; (4)Boot ROM contains low level Flash programming routines for; (5)downloading via the UART; (6)Can be programmed by the end-user application (IAP); (7)Parallel programmed with 87C51 compatible hardware interface to; (8)programmer; (9)Speed up to 20 MHz with 6 clock cycles per machine cycle; (10)(40 MHz equivalent performance); up to 33 MHz with 12 clocks; (11)Full static operation; (12)RAM expandable externally to 64 kbytes; (13)4 level priority interrupt; (14)8 interrupt sources; (15)Four 8-bit I/O ports.
Diagrams

| Image | Part No | Mfg | Description | ![]() |
Pricing (USD) |
Quantity | ||||
|---|---|---|---|---|---|---|---|---|---|---|
![]() |
![]() P89C668HBA |
![]() NXP Semiconductors |
![]() 8-bit Microcontrollers (MCU) 80C51 64K FL / 8K RM |
![]() Data Sheet |
![]() Negotiable |
|
||||
![]() |
![]() P89C668HBA/00,512 |
![]() |
![]() IC 80C51 MCU FLASH 64K 44-PLCC |
![]() Data Sheet |
![]() Negotiable |
|
||||
(China (Mainland))










