Product Summary
The 7MBP50JA120 is an IGBT-IPM.
Parametrics
7MBP50JA120 absolute maximum ratings: (1)VCES: 1200V; (2)IC: 50A; (3)PC: 240W; (4)VCES: 240W; (5)VCES: 1200V; (6)IC: 15A; (7)PC: 80W.
Features
7MBP50JA120 features: (1) Low loss and soft switching by using the third generation IGBT chips; (2) Realization of high reliability, pursing higher performance of the IGBT by means of the protection by directly detecting the IGBT chips temparature; (3) Realization of high reliability and high cost performance by means of integrating all control circuits into the IC chips; (4) A wide line-up together with the adoption of a compatible package (P610, P611) with Fuji’s conventional IPM.
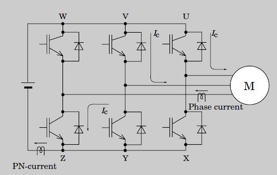
Diagrams

|  |  7MBP100RA060 |  Other |  |  Data Sheet |  Negotiable |  | ||||
|  |  7MBP100RTB060 |  Other |  |  Data Sheet |  Negotiable |  | ||||
|  |  7MBP100TEA060 |  Other |  |  Data Sheet |  Negotiable |  | ||||
|  |  7MBP150RA060 |  Other |  |  Data Sheet |  Negotiable |  | ||||
|  |  7MBP150RTB060 |  Other |  |  Data Sheet |  Negotiable |  | ||||
|  |  7MBP25RA120 |  Other |  |  Data Sheet |  Negotiable |  | ||||
 (China (Mainland))
 (China (Mainland)) 
                         
                        
 
                                    




