Product Summary
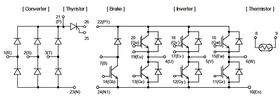
The 7MBR15SA120 is a PIM/Built-in converter with thyristor and brake. The applications of the 7MBR15SC120 include Inverter for motor drive, AC and DC servo drive amplifier and Uninterruptible power supply.
Parametrics
7MBR15SC120 absolute maximum ratings: (1)inverter, Collector-Emitter voltage, VCES: 1200V; Gate-Emitter voltage, VGES: ±20V; Collector current, IC, continuous: 25A at Tc=25℃; 15A at Tc=80℃; ICP, 1ms: 50A when Tc=25℃; 30A when Tc=80℃; Collector power dissipation, PC: 110W; (2)brake, Collector-Emitter voltage, VCES: 1200V; Gate-Emitter voltage, VGES: ±20V; Collector current, IC, continuous: 25A at Tc=25℃; 15A at Tc=80℃; ICP, 1ms: 50A when Tc=25℃; 30A when Tc=80℃; Collector power dissipation, PC: 110W; Repetitive peak reverse voltage, VRRM: 1200V; (3)converter, Repetitive peak reverse voltage, VRRM: 1600V; Average output current, IO: 15A; Surge current, IFSM: 155A; I2t: 120A2s ; (4)Operating junction temperature, Tj: 150℃; (5)Storage temperature, Tstg: -40 to 125℃.
Features
7MBR15SC120 features: (1)Low VCE(sat); (2)Compact package; (3)PC board mount; (4)Converter diode bridge, Dynamic brake circuit.
Diagrams

| Image | Part No | Mfg | Description | ![]() |
Pricing (USD) |
Quantity | ||||
|---|---|---|---|---|---|---|---|---|---|---|
![]() |
![]() 7MBR15SC120 |
![]() Other |
![]() |
![]() Data Sheet |
![]() Negotiable |
|
||||
| Image | Part No | Mfg | Description | ![]() |
Pricing (USD) |
Quantity | ||||
![]() |
![]() 7MBR 10SA-120 |
![]() Other |
![]() |
![]() Data Sheet |
![]() Negotiable |
|
||||
![]() |
![]() 7MBR100SB060 |
![]() Other |
![]() |
![]() Data Sheet |
![]() Negotiable |
|
||||
![]() |
![]() 7MBR100SD060 |
![]() Other |
![]() |
![]() Data Sheet |
![]() Negotiable |
|
||||
![]() |
![]() 7MBR100U4B120 |
![]() Other |
![]() |
![]() Data Sheet |
![]() Negotiable |
|
||||
![]() |
![]() 7MBR10NE120 |
![]() Other |
![]() |
![]() Data Sheet |
![]() Negotiable |
|
||||
![]() |
![]() 7MBR10SA120 |
![]() Other |
![]() |
![]() Data Sheet |
![]() Negotiable |
|
||||
(China (Mainland))









