Product Summary
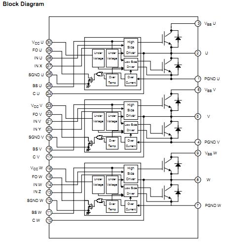
The MIG20J503H is an intelligent power module for three-phase inverter system. The 4th generation low saturation voltage trench gate IGBT and FRD are connected to a three-phase full bridge type, and IC by the original high-voltage SOI (silicon-on-insulator) process drives the MIG20J503H directly in response to aPWM signal. Moreover, since high-voltage level-shifter is built in high-voltage IC, while being able to perform a direct drive without the interface with which the MIG20J503H upper arm IGBT is insulated, the drive power supply of an upper arm can be driven with a bootstrap system, and the simplification of a system is possible. Furthermore, each lower arm emitter terminal has been independent so that detection can perform current detection at the time of vector control by current detection resistance of a lower arm. The MIG20J503H protection function builds in Under Voltage Protection, Short Circuit Protection, and Over Temperature Protection. Original high thermal conduction resin is adopted as a package, and low heat resistance is realized.
Parametrics
MIG20J503H absolute maximum ratings: (1)Power supply voltage,VBB: 450V; VBB(surge): 500V; VCC: 20V; VBS: 20V; (2)Collector-emitter voltage, VCES: 600V; (3)Each collector current (DC), IC: ±20 A; (4)Each collector current (PEAK), ICP: ±40 A; (5)Input voltage, VIN: 5.5 V; (6)Fault output supply voltage, VFO: 20 V; (7)Fault output current, IFO: 15 mA; (8)PGND-SGND voltage difference, VPGND-SGND: ±5 V; (9)Output voltage rate of change, dv/dt: 20 kV/μs; (10)Collector power dissipation (per 1 IGBT chip) (Tc = 25℃), PC: 43 W; (11)Collector power dissipation (per 1 FRD chip) (Tc = 25℃), PC: 25 W; (12)Operating temperature, TOPE: -20 to 100℃; (13)Junction temperature, Tj: 150℃; (14)Storage temperature, Tstg: -40 to 125℃; (15)Isolation voltage (60 Hz sinusoidal, AC), VISO: 2500 (1 min)Vrms; (16)Screw torque (M3): 0.5 Nm.
Features
MIG20J503H features: (1)The 4th generation trench gate thin wafer NPT IGBT is adopted; (2)FRD is built in; (3)The level shift circuit by high-voltage IC is built in; (4)The simplification of a high side driver power supply is possible by the bootstrap system; (5)Short circuit protection, over temperature protection, and the power supply under voltage protection function are built in; (6)Short circuit protection and over temperature protection state are outputted; (7)The lower arm emitter terminal has been independent by each phase for the purpose of the current detection at the time of vector control; (8)Low thermal resistance by adoption of original high thermal conduction resin.
Diagrams

![]() |
![]() MIG25Q806H |
![]() Other |
![]() |
![]() Data Sheet |
![]() Negotiable |
|
||||
![]() |
![]() MIG20J106LA |
![]() Other |
![]() |
![]() Data Sheet |
![]() Negotiable |
|
||||
![]() |
![]() MIG20J106L |
![]() Other |
![]() |
![]() Data Sheet |
![]() Negotiable |
|
||||
![]() |
![]() MIG200Q2CSB1X |
![]() |
![]() IPM MOD CMPCT DUAL 1200V 200A |
![]() Data Sheet |
![]() Negotiable |
|
||||
![]() |
![]() MIG200Q2CSA0X |
![]() Other |
![]() |
![]() Data Sheet |
![]() Negotiable |
|
||||
![]() |
![]() MIG200J6CMB1W |
![]() Other |
![]() |
![]() Data Sheet |
![]() Negotiable |
|
||||
(China (Mainland))








