Product Summary
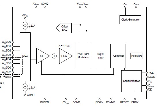
The ADS1241E is a precision, wide dynamic range,delta-sigma, Analog-to-Digital (A/D) converter with 24-bit resolution operating from 2.7V to 5.25V power supplies. The ADS1241E provides up to 24 bits of no missing code performance and effective resolution of 21 bits.The serial interface is SPI compatible. Up to eight bits of data I/O are also provided that can be used for input or output. The ADS1241E is designed for high-resolution measurement applications in smart transmitters, industrial process control, weigh scales, chromatography, and portable instrumentation.
Parametrics
ADS1241E absolute maximum ratings: (1)AVDD to DGND: –0.3V to +6V; (2)DVDD to DGND: –0.3V to +6V; (3)Input Current: 100mA, Momentary; (4)DGND to AGND: –0.3V to 0.3V; (5)Input Current: 10mA, Continuous; (6)AIN: AGND –0.5V to AVDD + 0.5V; (7)Digital Input Voltage to DGND: –0.3V to DVDD + 0.3V; (8)Digital Output Voltage to DGND: –0.3V to DVDD + 0.3V; (9)Maximum Junction Temperature: +150℃; (10)Operating Temperature Range: –40℃ to +85℃; (11)Storage Temperature Range: –60℃ to +150℃; (12)Lead Temperature (soldering, 10s): +300℃.
Features
ADS1241E features: (1)24 bits no missing codes; (2)simultaneous 50hz and 60hz rejection (–90db minimum); (3)0.0015% inl; (4)21 bits effective resolution (pga = 1), 19 bits (pga = 128); (5)pga gains from 1 to 128; (6)single cycle settling; (7)programmable data output rates; (8)external differential reference of 0.1v to 5v; (9)on-chip calibration; (10)spi. compatible; (11)2.7v to 5.25v supply range; (12)600μw power consumption; (13)up to eight input channels; (14)up to eight data i/o.
Diagrams

| Image | Part No | Mfg | Description | ![]() |
Pricing (USD) |
Quantity | ||||||||||||
|---|---|---|---|---|---|---|---|---|---|---|---|---|---|---|---|---|---|---|
![]() |
![]() ADS1241E |
![]() Texas Instruments |
![]() ADC (A/D Converters) 24-Bit Anlg-to-Dig Converter |
![]() Data Sheet |
![]()
|
|
||||||||||||
![]() |
![]() ADS1241E/1K |
![]() Texas Instruments |
![]() ADC (A/D Converters) 24-Bit Anlg-to-Dig Converter |
![]() Data Sheet |
![]()
|
|
||||||||||||
![]() |
![]() ADS1241EG4 |
![]() Texas Instruments |
![]() ADC (A/D Converters) 24-Bit Anlg-to-Dig Converter |
![]() Data Sheet |
![]()
|
|
||||||||||||
![]() |
![]() ADS1241E/1KG4 |
![]() Texas Instruments |
![]() ADC (A/D Converters) 24-Bit Anlg-to-Dig Converter |
![]() Data Sheet |
![]()
|
|
||||||||||||
![]() |
![]() ADS1241EVM |
![]() |
![]() EVAL MODULE FOR ADS1241 |
![]() Data Sheet |
![]() Negotiable |
|
||||||||||||
(China (Mainland))










