Product Summary
The FP40R12KT3 is an IGBT module.
Parametrics
FP40R12KT3 absolute maximum ratings: (1)collector-emitter voltage, VCES: 1200V; (2)DC-collector current, IC nom: 40A when Tc=80℃; IC: 55A when Tc=25℃; (3)repetitive peak collector current, ICRM: 80A; (4)total power dissipation, Ptot: 210W; (5)gate-emitter peak votlage, VGES: +/-20V.
Features
FP40R12KT3 features: (1)repetitive peak reverse voltage, VRRM: 1200V; (2)DC forward current, IF: 40A; (3)repetitive peak forward current, IFRM: 80A; (4)i2t value, I2t: 320A2s.
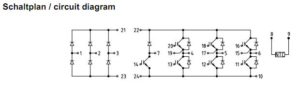
Diagrams

| Image | Part No | Mfg | Description | ![]() |
Pricing (USD) |
Quantity | ||||||||
|---|---|---|---|---|---|---|---|---|---|---|---|---|---|---|
![]() |
![]() FP40R12KT3 |
![]() Infineon Technologies |
![]() IGBT Modules N-CH 1.2KV 55A |
![]() Data Sheet |
![]()
|
|
||||||||
![]() |
![]() FP40R12KT3G |
![]() Infineon Technologies |
![]() IGBT Modules N-CH 1.2KV 55A |
![]() Data Sheet |
![]()
|
|
||||||||
(China (Mainland))









