Product Summary
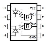
The HCPL-5231 is a hermetically sealed, low IF, Wide VCC, logic gate optocoupler. The HCPL-5231 is capable of operation and storage over the full military temperature range and can be purchased as either standard product or with full MIL-PRF-38534 Class Level H or K testing or from the appropriate DSCC Drawing. The HCPL-5231 is manufactured and tested on a MIL-PRF-38534 certified line and are included in the DSCC Qualified Manufacturers List QML-38534 for Hybrid Microcircuits.
Parametrics
HCPL-5231 absolute maximum ratings: (1)Storage Temperature Range, TS: -65℃ to +150℃; (2)Operating Temperature, TA: -55℃ to +125℃; (3)Case Temperature, TC: +170℃; (4)Junction Temperature, TJ: +175℃; (5)Lead Solder Temperature: 260℃ for 10 s; (6)Average Forward Curre, IF AVG (each channel): 8 mA; (7)Peak Input Current, IF PK (each channel): 20 mA; (8)Reverse Input Voltage, VR (each channel): 3 V; (9)Supply Voltage ,VCC: 0.0 V min., 20 V max.; (10)Average Output Current, IO (each channel): 15 mA; (11)Output Voltage, VO (each channel): –0.3 V min., 20 V max.; (12)Package Power Dissipation, Pd (each channel): 200 mW.
Features
HCPL-5231 features: (1)Dual Marked with Device Part Number and DSCC Standard Microcircuit Drawing; (2)Manufactured and Tested on a MIL-PRF-38534 Certified Line; (3)QML-38534, Class H and K; (4)Four Hermetically Sealed Package Configurations; (5)Performance Guaranteed over -55℃ to +125℃; (6)Wide VCC Range (4.5 to 20 V); (7)350 ns Maximum Propagation Delay; (8)CMR: > 10,000 V/ms Typical; (9)1500 Vdc Withstand Test Voltage; (10)Three State Output Available; (11)High Radiation Immunity; (12)HCPL-2200/31 Function Compatibility; (13)Reliability Data Available; (14)Compatible with LSTTL, TTL, and CMOS Logic.
Diagrams

| Image | Part No | Mfg | Description | ![]() |
Pricing (USD) |
Quantity | ||||||||
|---|---|---|---|---|---|---|---|---|---|---|---|---|---|---|
![]() |
![]() HCPL-5231 |
![]() Avago Technologies |
![]() High Speed Optocouplers 2Ch 8mA 200mW Hermetically sealed |
![]() Data Sheet |
![]()
|
|
||||||||
![]() |
![]() HCPL-5231#100 |
![]() Avago Technologies |
![]() High Speed Optocouplers 2Ch 8mA 200mW Hermetically sealed |
![]() Data Sheet |
![]()
|
|
||||||||
![]() |
![]() HCPL-5231#300 |
![]() Avago Technologies |
![]() High Speed Optocouplers 2Ch 8mA 200mW Hermetically sealed |
![]() Data Sheet |
![]()
|
|
||||||||
![]() |
![]() HCPL-5231#200 |
![]() Avago Technologies |
![]() High Speed Optocouplers 2Ch 8mA 200mW Hermetically sealed |
![]() Data Sheet |
![]()
|
|
||||||||
(China (Mainland))









