Product Summary
The IRKT132-14 is a thyristor.Applications of the IRKT132-14 are DC motor control and drives, battery charges, welders, power converters, lighting control, heat and temperature control.
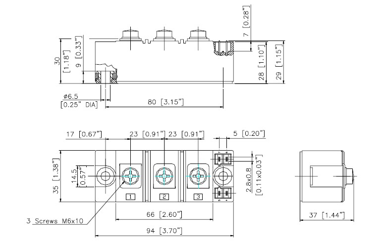
Parametrics
IRKT132-14 absolute maximum ratings: (1)IT(AV) @ TC= 85℃: 135A; (2)IT(RMS): 300 A; (3)ITSM @ 50Hz: 3200 A; @ 60Hz: 3360 A; (4)I2t @ 50Hz: 51.5 KA2s; @ 60Hz 47KA2s; (5)I2√t: 515.5KA2√s; (6)VRRM: 400 to 1600 V; (7)TJ range: - 40 to 125 ℃.
Features
IRKT132-14 features: (1)High Voltage; (2)Electrically Isolated by DBC Ceramic ( Al2O3); (3)3500 VRMS Isolating Voltage; (4)Industrial Standard Package; (5)High Surge Capability; (6)Glass Passivated Chips; (7)Modules uses High Voltage Power thyristor/diodes; (8)in three Basic Configurations; (9)Simple Mounting; (10)UL E78996 approved.
Diagrams

![]() |
![]() IRKT04 |
![]() Other |
![]() |
![]() Data Sheet |
![]() Negotiable |
|
||||
![]() |
![]() IRKT105/04A |
![]() |
![]() SCR DBL HISCR 400V 105A ADDAPAK |
![]() Data Sheet |
![]() Negotiable |
|
||||
![]() |
![]() IRKT105/04P |
![]() Vishay Semiconductors |
![]() SCR Modules 400 Volt 105 Amp |
![]() Data Sheet |
![]() Negotiable |
|
||||
![]() |
![]() IRKT105/06A |
![]() |
![]() SCR DBL HISCR 600V 105A ADDAPAK |
![]() Data Sheet |
![]() Negotiable |
|
||||
![]() |
![]() IRKT105/06P |
![]() Vishay Semiconductors |
![]() SCR Modules 600 Volt 105 Amp |
![]() Data Sheet |
![]() Negotiable |
|
||||
![]() |
![]() IRKT105/08A |
![]() |
![]() SCR DBL HISCR 800V 105A ADDAPAK |
![]() Data Sheet |
![]() Negotiable |
|
||||
(China (Mainland))









