Product Summary
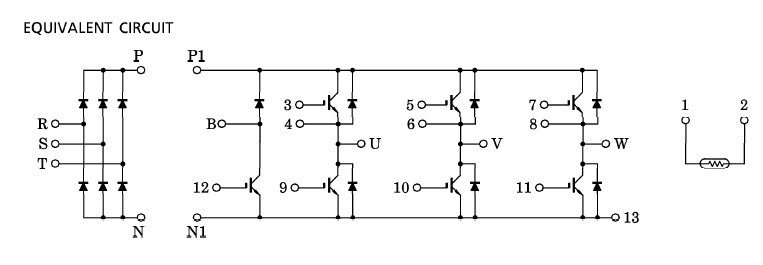
The MIG25Q906H is an intelligent IGBT module.
Parametrics
MIG25Q906H absolute maximum ratings: (1)Storage temperature: -40 to 125℃; (2)Isolation Voltage: 2500 V; (3)Collector Emitter Voltage, VCES: 1200 V; (4)Collector Current, ±IC: 35/25 A; (5)Collector Current (Peak), ±ICP: 70/50 A; (6)Collector Power Dissipation, PC: 200 W; (7)Junction Temperature, Tj: 150℃.
Features
MIG25Q906H features: (1)integrates inverter, converter and brake power circuits in one package; (2)output (inverter stage): 3Φ25A/1200V high speed type IGBT, VCE(sat)=4.00V max, tf=0.30μs max, trr=0.15μs max; (3)input (converter stage): 3Φ20A/1600V silicon rectifier, VF=1.2V max; (4)weight: 190g; (5)outline: 2-108E5A.
Diagrams

![]() |
![]() MIG200J6CMB1W |
![]() Other |
![]() |
![]() Data Sheet |
![]() Negotiable |
|
||||
![]() |
![]() MIG200Q2CSA0X |
![]() Other |
![]() |
![]() Data Sheet |
![]() Negotiable |
|
||||
![]() |
![]() MIG200Q2CSB1X |
![]() |
![]() IPM MOD CMPCT DUAL 1200V 200A |
![]() Data Sheet |
![]() Negotiable |
|
||||
![]() |
![]() MIG20J106L |
![]() Other |
![]() |
![]() Data Sheet |
![]() Negotiable |
|
||||
![]() |
![]() MIG20J106LA |
![]() Other |
![]() |
![]() Data Sheet |
![]() Negotiable |
|
||||
![]() |
![]() MIG25Q806H |
![]() Other |
![]() |
![]() Data Sheet |
![]() Negotiable |
|
||||
(China (Mainland))








