Product Summary
The P105W is a passivated assembled circuit element. The P105W Integrated Power Circuit consists of power thyristor and power diode configured in a single package. With its isolating base plate, mechanical designs are greatly simplified giving advantages of cost reduction and reduced size. Applications include power supplies, control circuits and battery chargers.
Parametrics
P105W maximum ratings: (1)ID: 25 A; (2)ID@ TC: 85℃; (3)IFSM @50Hz: 357 A; (4)IFSM @ 60Hz: 375 A; (5)I2t @50Hz: 637 A2s; (6)I2t@ 60Hz: 580 A2s; (7)VRRM: 400 to 1200 V; (8)VINS: 2500 V; (9)TJ: - 40 to 125℃.
Features
P105W features: (1)Glass passivated junctions for greater reliability; (2)Electrically isolated base plate; (3)Available up to 1200 VRRM, VDRM; (4)High dynamic characteristics; (5)Wide choice of circuit configurations; (6)Simplified mechanical design and assembly; (7)UL E78996 approved.
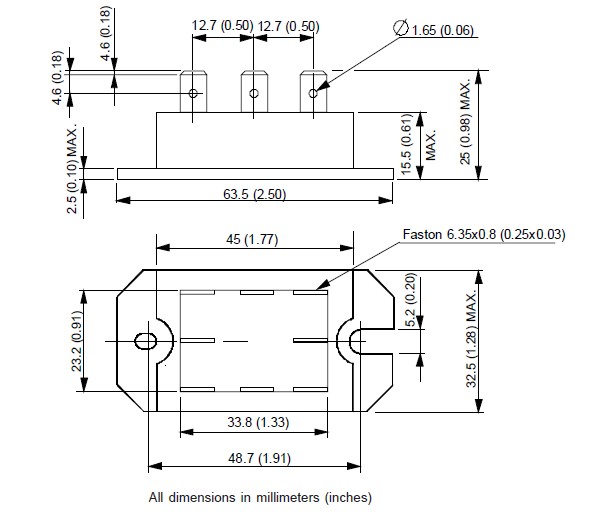
Diagrams

| Image | Part No | Mfg | Description | ![]() |
Pricing (USD) |
Quantity | ||||||||||||||||||||
|---|---|---|---|---|---|---|---|---|---|---|---|---|---|---|---|---|---|---|---|---|---|---|---|---|---|---|
![]() |
![]() P105W |
![]() |
![]() SCR HY-BRIDGE 1200V 25A PACE-PAK |
![]() Data Sheet |
![]()
|
|
||||||||||||||||||||
| Image | Part No | Mfg | Description | ![]() |
Pricing (USD) |
Quantity | ||||||||||||||||||||
![]() |
![]() P1051/2A CL005 |
![]() Alpha Wire |
![]() Tubing & Sleeving - (Non-shrink) 1/2in NON-SHNK TUBNG 100ft SPOOL CLEAR |
![]() Data Sheet |
![]()
|
|
||||||||||||||||||||
![]() |
![]() P10511 BK002 |
![]() |
![]() TUBING PVC .095 DIA BLACK |
![]() Data Sheet |
![]()
|
|
||||||||||||||||||||
![]() |
![]() P10511/2 BK007 |
![]() Alpha Wire |
![]() Tubing & Sleeving - (Non-shrink) 1-1/2in NON-SHK TUBE 50ft SPOOL BLACK |
![]() Data Sheet |
![]()
|
|
||||||||||||||||||||
![]() |
![]() P10511/4 BK007 |
![]() Alpha Wire |
![]() Tubing & Sleeving - (Non-shrink) 1-1/4in NON-SHK TUBE 50ft SPOOL BLACK |
![]() Data Sheet |
![]()
|
|
||||||||||||||||||||
![]() |
![]() P10514 BK005 |
![]() |
![]() TUBING PVC .064 DIA BLACK |
![]() Data Sheet |
![]()
|
|
||||||||||||||||||||
![]() |
![]() P10517 CL001 |
![]() |
![]() PVC TUBING .047 INCH DIA CLEAR |
![]() Data Sheet |
![]()
|
|
||||||||||||||||||||
(China (Mainland))











