Product Summary
Mitsubishi Intelligent Power Module PM75RSE120 is an isolated base module designed for power switching applications operating at frequencies to 20kHz. Built-in control circuits of the PM75RSE120 provide optimum gate drive and protection for the IGBT and free-wheel diode power devices. The applications of the PM75RSE120 are general purpose inverter, servo drives and other motor controls.
Parametrics
PM75RSE120 absolute maximum ratings: (1)Power Device Junction Temperature Tj: -20 to 150 ℃; (2)Storage Temperature Tstg: -40 to 125 ℃; (3)Case Operating Temperature TC: -20 to 100 ℃; (4)Mounting Torque, M4 Mounting Screws: 0.98 ~ 1.47 N · m; (5)Module Weight (Typical): 60 Grams; (6)Supply Voltage Protected by OC and SC (VD = 13.5 - 16.5V, Inverter Part) VCC(prot.): 800 Volts; (7)Isolation Voltage (Main Terminal to Baseplate, AC 1 min.) Viso: 2500 Vrms.
Features
PM75RSE120 features: (1)25A, 1200V Current-sense regenerative brake IGBT; (2)Monolithic gate drive & protection logic; (3)Detection, protection & status indication circuits for overcurrent, short-circuit, over-temperature & under-voltage; (4)Acoustic noise-less 11/15kW class inverter application.
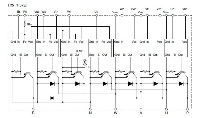
Diagrams

| Image | Part No | Mfg | Description | ![]() |
Pricing (USD) |
Quantity | ||||||||||||||
|---|---|---|---|---|---|---|---|---|---|---|---|---|---|---|---|---|---|---|---|---|
![]() |
![]() PM75RSE120 |
![]() Other |
![]() |
![]() Data Sheet |
![]() Negotiable |
|
||||||||||||||
| Image | Part No | Mfg | Description | ![]() |
Pricing (USD) |
Quantity | ||||||||||||||
![]() |
![]() PM75-100K |
![]() |
![]() INDUCTOR UNSHIELD 10UH 10% SMT |
![]() Data Sheet |
![]() Negotiable |
|
||||||||||||||
![]() |
![]() PM75-100K-RC |
![]() Bourns |
![]() Power Inductors 10uH 10% |
![]() Data Sheet |
![]()
|
|
||||||||||||||
![]() |
![]() PM75-101K |
![]() |
![]() INDUCTOR UNSHIELD 100UH 10% SMT |
![]() Data Sheet |
![]() Negotiable |
|
||||||||||||||
![]() |
![]() PM75-101K-RC |
![]() J.W. Miller |
![]() Power Inductors Power Inductor, Non-Shielded |
![]() Data Sheet |
![]() Negotiable |
|
||||||||||||||
![]() |
![]() PM75-120K |
![]() |
![]() INDUCTOR UNSHIELD 12UH 10% SMT |
![]() Data Sheet |
![]() Negotiable |
|
||||||||||||||
![]() |
![]() PM75-120K-RC |
![]() J.W. Miller |
![]() Power Inductors MAGNETICS - NON-SHIELDED POWER INDUCTOR |
![]() Data Sheet |
![]() Negotiable |
|
||||||||||||||
(China (Mainland))










