Product Summary
The SKKT72/16E is a Thyristor / Diode Module. The typical applicaitons of the SKKT72/16E include DC motor control, AC motor soft starters, temperature control and professional light dimming.
Parametrics
SKKT72/16E absolute maximum ratings: (1)IRMS: 155A; (2)ITAV: 70A; (3)ID: 62A; (4)Tvj: -40 to 125℃.
Features
SKKT72/16E features: (1)heat transfer through aluminium oxide ceramic isolated metal baseplate; (2)hard soldered joints for high reliability; (3)UL recognized, file no E63532.
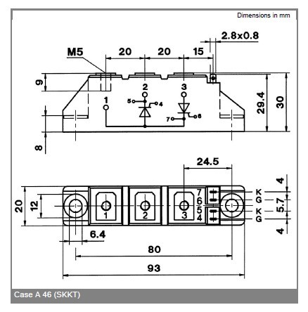
Diagrams

![]() |
![]() SKKT 213 |
![]() Other |
![]() |
![]() Data Sheet |
![]() Negotiable |
|
||||
![]() |
![]() SKKT 253 |
![]() Other |
![]() |
![]() Data Sheet |
![]() Negotiable |
|
||||
![]() |
![]() SKKT 56 |
![]() Other |
![]() |
![]() Data Sheet |
![]() Negotiable |
|
||||
![]() |
![]() SKKT 57 |
![]() Other |
![]() |
![]() Data Sheet |
![]() Negotiable |
|
||||
![]() |
![]() SKKT 57B |
![]() Other |
![]() |
![]() Data Sheet |
![]() Negotiable |
|
||||
![]() |
![]() SKKT105 |
![]() Other |
![]() |
![]() Data Sheet |
![]() Negotiable |
|
||||
(China (Mainland))








