Product Summary
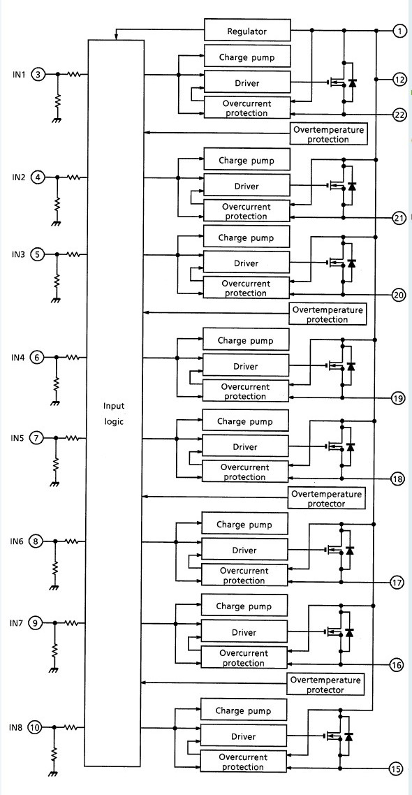
The TPD2005F is an 8-channel high-side switch array for vertical power MOS FET output. A monolithic power IC, the TPD2005F can directly drive a power load from a CMOS or TTL logic circuit (such as an MPU). The TPD2005F offers overcurrent and overtemperature protection functions.
Parametrics
TPD2005F absolute maximum ratings: (1)Supply voltage VDD: 45 V; (2)Input voltage VIN: -0.5 ~ 7 V; (3)Drain-source voltage VDS: 60 V; (4)Output current IO: Internally limited A; (5)Power dissipation (operating all channels, ta = 25℃): 0.8W; (6)Single pulse avalanche energy EAS: 10 mJ; (7)Operating temperature Topr: -40 ~ 85 ℃; (8)Junction temperature Tj: 150 ℃; (9)Storage temperature Tstg: -55 ~ 150 ℃.
Features
TPD2005F features: (1)A high-side switch array incorporating an N-channel power MOS FET (1.2 Ωmax.) and an 8-channel charge pump; (2)Can directly drive a power load from a microprocessor.; (3)Built-in protection against thermal shutdown protection and overcurrent protection; (4)8-channel access enables space-saving design; (5)High operating voltage : 40 V; (6)Low on resistance : 1.2 Ωmax. (@VDD = 12 V, IO = 0.5 A (per channel)); (7)Supports parallel operation.; (8)Low operating current : 5 mA max. (@VDD = 40 V, VIN = 0 V); (9)Supplied in an SSOP-24 package (300 mil) in embossed taping.
Diagrams

| Image | Part No | Mfg | Description | ![]() |
Pricing (USD) |
Quantity | ||||||||||||
|---|---|---|---|---|---|---|---|---|---|---|---|---|---|---|---|---|---|---|
![]() |
![]() TPD2005F |
![]() Other |
![]() |
![]() Data Sheet |
![]() Negotiable |
|
||||||||||||
![]() |
![]() TPD2005F(EL,F) |
![]() Toshiba |
![]() Power Switch ICs - Power Distribution Pd 0.8W RDS 1.2Ohm 8-Circuit High Side |
![]() Data Sheet |
![]()
|
|
||||||||||||
(China (Mainland))









