Product Summary
The FF150R12RT4 is a PrimePACK 3 module with Trench/Fieldstop IGBT4 and Emitter Controlled 4 diode and NTC. The applications of the FF1400R12IP4 are high power converters, motor drives, UPS systems.
Parametrics
FF1400R12IP4 absolute maximum ratings: (1)collector-emitter voltage:1200V; (2)DC-collector current:1400A; (3)repetitive peak collector current: 2800A; (4)total power dissipation: 7.65W; (5)gate-emitter peak voltage:±20V.
Features
FF1400R12IP4 features: (1)4kV AC 1min Insulation; (2)Package with CTI>400; (3)High creepage and clearance distances; (4)High power and thermal cycling capability; (5)High power density.
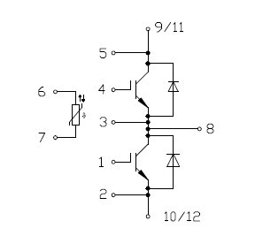
Diagrams

| Image | Part No | Mfg | Description | ![]() |
Pricing (USD) |
Quantity | ||||||||
|---|---|---|---|---|---|---|---|---|---|---|---|---|---|---|
![]() |
![]() FF1400R12IP4 |
![]() Infineon Technologies |
![]() IGBT Modules N-CH 1.2KV 1.4KA |
![]() Data Sheet |
![]()
|
|
||||||||
| Image | Part No | Mfg | Description | ![]() |
Pricing (USD) |
Quantity | ||||||||
![]() |
![]() FF1400R12IP4 |
![]() Infineon Technologies |
![]() IGBT Modules N-CH 1.2KV 1.4KA |
![]() Data Sheet |
![]()
|
|
||||||||
(China (Mainland))









