Product Summary
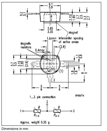
The FP212L100-22 is a differential magnetoresistive sensor. It is widely used in detection of speed, detection of position, detection of sense of rotation, angle encoder, as well as linear position sensing.
Parametrics
FP212L100-22 absolute maximum ratings: (1)Operating temperature, TA: –40 to +140℃; (2)Storage temperature, Tstg: –40 to +150℃; (3)Power dissipation, Ptot: 450mW; (4)Supply voltage, VIN: 10V; (5)Insulation voltage between terminals and magnet, VI: >60V; (6)Thermal conductivity (when soldered), GthA: ≥5mW/K.
Features
FP212L100-22 features: (1)High output voltage; (2)High operating temperature; (3)Robust plastic housing; (4)Biasing magnet build in; (5)Signal amplitude is speed independent; (6)Marking silver Typical applications.
Diagrams

| Image | Part No | Mfg | Description | ![]() |
Pricing (USD) |
Quantity | ||||
|---|---|---|---|---|---|---|---|---|---|---|
![]() |
![]() FP212L100-22 |
![]() Other |
![]() |
![]() Data Sheet |
![]() Negotiable |
|
||||
| Image | Part No | Mfg | Description | ![]() |
Pricing (USD) |
Quantity | ||||
![]() |
![]() FP210 |
![]() Other |
![]() |
![]() Data Sheet |
![]() Negotiable |
|
||||
![]() |
![]() FP210D250-22 |
![]() Other |
![]() |
![]() Data Sheet |
![]() Negotiable |
|
||||
![]() |
![]() FP210L100-22 |
![]() Other |
![]() |
![]() Data Sheet |
![]() Negotiable |
|
||||
![]() |
![]() FP211 |
![]() Other |
![]() |
![]() Data Sheet |
![]() Negotiable |
|
||||
![]() |
![]() FP212 |
![]() Other |
![]() |
![]() Data Sheet |
![]() Negotiable |
|
||||
![]() |
![]() FP212D250-22 |
![]() Other |
![]() |
![]() Data Sheet |
![]() Negotiable |
|
||||
(China (Mainland))









