Product Summary
The GT300AL-20 is an Integrated Circuit.
Parametrics
GT300AL-20 absolute maximum ratings: (1)(DRM) Max. (V): 1.0k; (2)I(T) Rated Maximum (A): 150; (3)@Temp. (шC) (Test Condition): 98 ; (4)I(TSM) Max. (A): 2.5k; (5) I(GT) Max. (A): 1.0; (6)V(GT) Max.(V): 1.0; (7)I(D) Max. (A) Leakage Current: 60m; (8)@Temp. (℃) (Test Condition): 125#; (9)V(T) Max. (V): 2.1; (10)@I(T) (A) (Test Condition): 300; (11)t(gt) Typ. (s): 10uт; (12)Minimum Operating Temp: -40℃; (13)Maximum Operating Temp: 120℃; (14)Package Style: TO-209varM20; (15)Mounting Style: T ; (16)Description: Itgq 300A tq 15us.
Features
GT300AL-20 features: (1)VRRM: 15V; (2)VDRM: 1000V; (3)ITQR: 300A; (4)IT(RMS): 150A; (5)ITSM: 2500A; (6)I2t: 36×103 A2S; (7)di/dt: 300A/μs; (8)IGFM: 30A; (9)PGF: 20W; (10)IGRM: 200A; (11)PGRM: 2000W; (12)VGRM: 15V; (13)Tj: 125℃; (14)Tstg: -40 to 150℃.
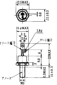
Diagrams

|  |  GT3020/L2C-B28328BACB2/2T |  Everlight |  Standard LED - SMD White 3000K 1600mcd 20mA |  Data Sheet |  
 |  | ||||||||||||
|  |  GT3020/L2C-B2832AC2CB2/2T |  Everlight |  Standard LED - SMD White 3000K 1800mcd 20mA |  Data Sheet |  
 |  | ||||||||||||
|  |  GT3020/L2C-B50632C4CB2/2T |  Everlight |  Standard LED - SMD White 5700K 2000mcd 20mA |  Data Sheet |  
 |  | ||||||||||||
|  |  GT3020/L2C-B5063AC2CB2/2T |  Everlight |  Standard LED - SMD White 5700K 1800mcd 20mA |  Data Sheet |  
 |  | ||||||||||||
|  |  GT3020/L2C-B5670AC2CB2/2T |  Everlight |  Standard LED - SMD White 6300K 1800mcd 20mA |  Data Sheet |  
 |  | ||||||||||||
|  |  GT3020/Q2C-B28328BACB2/2T |  Everlight |  Standard LED - SMD White 3000K 1600mcd 20mA |  Data Sheet |  
 |  | ||||||||||||
 (China (Mainland))
 (China (Mainland)) 
                         
                        
 
                                    




