Product Summary
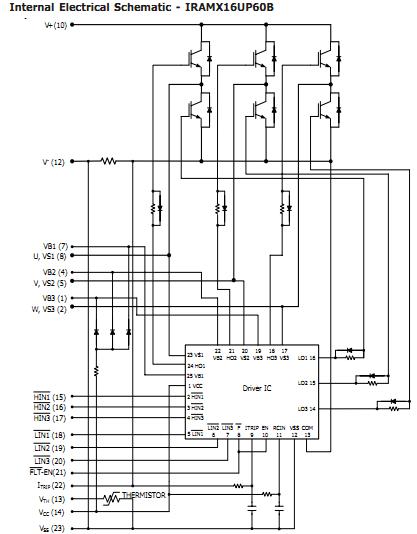
The IRAMX16UP60B-2 is a 16A, 600V Integrated Power Hybrid IC with Internal Shunt Resistor for Appliance Motor Drives applications such as air conditioning systems and compressor drivers as well as for light industrial application. The IRAMX16UP60B-2 technology offers an extremely compact, high performance AC motor-driver in a single isolated package to simplify design. The IRAMX16UP60B-2 is a combination of low VCE(on) Punch-Through IGBT technology and the industry benchmark 3 phase high voltage, high speed driver in a fully isolated thermally enhanced package. A built-in temperature monitor and over-current protection, along with the short-circuit rated IGBTs and integrated under-voltage lockout function, deliver high level of protection and fail-safe operation. Using a Single in line package (SiP2) with full transfer mold structure minimizes PCB space and resolve isolation problems to heatsink.
Parametrics
IRAMX16UP60B-2 absolute maximum ratings: (1)VCES / VRRM, IGBT/Diode Blocking Voltage: 600V; (2)V+, Positive Bus Input Voltage: 450V; (3)IO @ TC=25℃, RMS Phase Current: 16A; (4)IO @ TC=100℃, RMS Phase Current: 8A; (5)IO, Pulsed RMS Phase Current: 30A; (6)FPWM, PWM Carrier Frequency: 20 kHz; (7)PD, Power dissipation per IGBT @ TC =25℃: 31 W; (8)VISO, Isolation Voltage (1min): 2000 VRMS; (9)TJ, (IGBT & Diodes), Operating Junction temperature Range: -40 to +150℃; (10)TJ (Driver IC),Operating Junction temperature Range: -40 to +150℃; (11)T Mounting torque Range (M3 screw): 0.5 to 1.0 Nm.
Features
IRAMX16UP60B-2 features: (1)Internal Shunt Resistor; (2)Integrated Gate Drivers and Bootstrap Diodes; (3)Temperature Monitor; (4)Low VCE(on) Non Punch Through IGBT Technology; (5)Undervoltage lockout for all channels; (6)Matched propagation delay for all channels; (7)Schmitt-triggered input logic; (8)Cross-conduction prevention logic; (9)Lower di/dt gate driver for better noise immunity; (10)Motor Power range 0.75~2.2kW / 85~253 Vac; (11)Isolation 2000VRMS min; (12)UL certification pending (UL number: E78996).
Diagrams

| Image | Part No | Mfg | Description |  | Pricing (USD) | Quantity | ||||||||||||
|---|---|---|---|---|---|---|---|---|---|---|---|---|---|---|---|---|---|---|
|  |  IRAMX16UP60B-2 |  International Rectifier |  Motor / Motion / Ignition Controllers & Drivers |  Data Sheet |  
 |  | ||||||||||||
| Image | Part No | Mfg | Description |  | Pricing (USD) | Quantity | ||||||||||||
|  IRAM109-015SD |  |  IC HYBRID H-BRIDGE 1A 500V SIP-S |  Data Sheet |  Negotiable |  | |||||||||||||
|  |  IRAM136-0461G |  Other |  |  Data Sheet |  Negotiable |  | ||||||||||||
|  |  IRAM136-0760A |  International Rectifier |  Motor / Motion / Ignition Controllers & Drivers |  Data Sheet |  
 |  | ||||||||||||
|  |  IRAM136-0760A2 |  International Rectifier |  Motor / Motion / Ignition Controllers & Drivers |  Data Sheet |  
 |  | ||||||||||||
|  |  IRAM136-1060A |  International Rectifier |  Motor / Motion / Ignition Controllers & Drivers |  Data Sheet |  
 |  | ||||||||||||
|  |  IRAM136-1060B |  International Rectifier |  Motor / Motion / Ignition Controllers & Drivers |  Data Sheet |  
 |  | ||||||||||||
 (China (Mainland))
 (China (Mainland)) 
                         
                        
 
                                    




