Product Summary
The PM30CMA060-1 is an IGBT module. Applications of the PM30CMA060-1 are general purpose inverter, servo drives and other motor controlers.
Parametrics
PM30CMA060-1 absolute maximum ratings: (1)VCES Collector-Emitter Voltage VD = 15V, VCIN = 15V: 600v; (2)±IC Collector Current TC = 25℃: 30A; (3)±ICP Collector Current (Peak) TC = 25℃: 60A; (4)PC Collector Dissipation TC = 25℃: 83W; (5)Tj Junction Temperature: –20 ~ +125℃.
Features
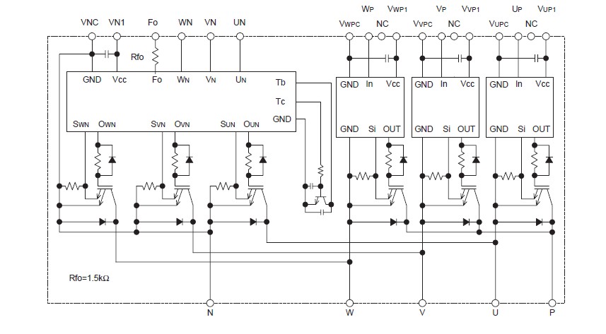
PM30CMA060-1 features: (1)3 phase IGBT (30A/600V) inverter output; (2)Monolithic gate drive & protection logic circuit; (3)Protection logic; (4)over circuit (OC); (5)short circuit (SC); (6)over temperature (OT); (7)under voltage lock-out (UV).
Diagrams

![]() |
![]() PM300 |
![]() Other |
![]() |
![]() Data Sheet |
![]() Negotiable |
|
||||||
![]() |
![]() PM300CBS060 |
![]() Other |
![]() |
![]() Data Sheet |
![]() Negotiable |
|
||||||
![]() |
![]() PM300CE |
![]() Other |
![]() |
![]() Data Sheet |
![]() Negotiable |
|
||||||
![]() |
![]() PM300CL1A060 |
![]() Other |
![]() |
![]() Data Sheet |
![]() Negotiable |
|
||||||
![]() |
![]() PM300CLA060 |
![]() |
![]() MOD IPM L-SER 6PAC 600V 300A |
![]() Data Sheet |
![]()
|
|
||||||
![]() |
![]() PM300CLA120 |
![]() |
![]() MOD IPM L-SER 6PAC 1200V 300A |
![]() Data Sheet |
![]()
|
|
||||||
(China (Mainland))








