Product Summary
The SKKD42F12 is a fast diode module. The typical applications of the SKKD42F12 include Self-commurated inverters, DC choppers and AC motor speed control, Inductive heating, Electronic welders.
Parametrics
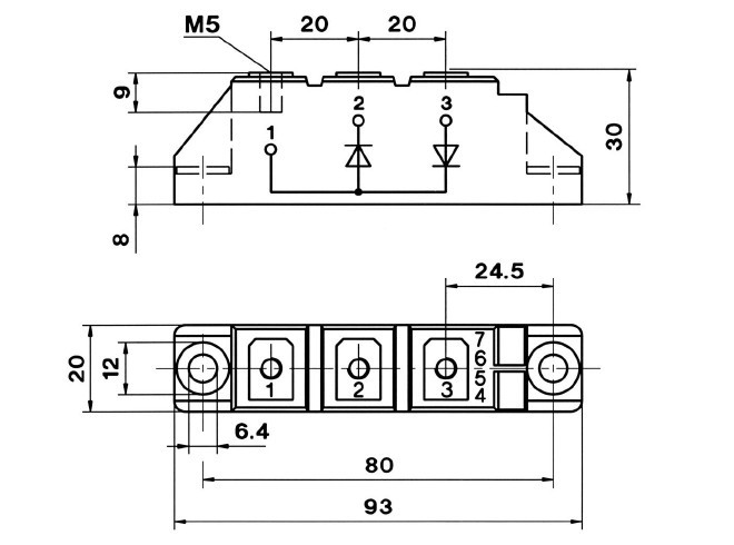
SKKD42F12 absolute maximum ratings: (1)IFAV: 42A; (2)rT: 5mΩ; (3)IFSM: 1200A; (4)i2t: 7200A2s; (6)VF: 1.85V; (7)Tvj: -40 to 130℃.
Features
SKKD42F12 features: (1)Heat transfer through ceramic isolated metal basepalte; (2)Hard soldered joints for high reliability; (3)UL recognized, file no E 63 532.
Diagrams

![]() |
![]() SKKD162/16 |
![]() Other |
![]() |
![]() Data Sheet |
![]() Negotiable |
|
||||
![]() |
![]() SKKD170F |
![]() Other |
![]() |
![]() Data Sheet |
![]() Negotiable |
|
||||
![]() |
![]() SKKD380/22H4 |
![]() Other |
![]() |
![]() Data Sheet |
![]() Negotiable |
|
||||
![]() |
![]() SKKD42F |
![]() Other |
![]() |
![]() Data Sheet |
![]() Negotiable |
|
||||
![]() |
![]() SKKD4606 |
![]() Other |
![]() |
![]() Data Sheet |
![]() Negotiable |
|
||||
![]() |
![]() SKKD60F |
![]() Other |
![]() |
![]() Data Sheet |
![]() Negotiable |
|
||||
(China (Mainland))








