Product Summary
The 103H8222-0911 is a 2-phase Stepping Motor.
Parametrics
103H8222-0911 absolute maximum ratings: (1)Rated current: 4A; (2)Resistance: 0.91Ω; (3)Inductance: 3.6mH.
Features
103H8222-0911 features: (1)Holding torque at 2-phase energization: 4.13(584.8)N·m (oz·in) MIN.; (2)Rotor inertia: 2.9(15.86) x10-4kg·m2(oz·in2); (3)Mass(Weight): 2.5(5.51) kg(lbs).
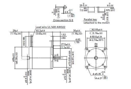
Diagrams

![]() |
![]() 103HT |
![]() Semitec |
![]() Thermistors - NTC 10kohm 2% |
![]() Data Sheet |
![]()
|
|
||||||||||||
![]() |
![]() 103HTF |
![]() Semitec |
![]() Thermistors - NTC 10kohm 2% |
![]() Data Sheet |
![]()
|
|
||||||||||||
(China (Mainland))









